平面圖分析|維港‧雙鑽主打1房及2房 座向開則點揀最好?

中國海外 (00688) 旗下啟德維港‧雙鑽,昨已上載樓書,料短期內對外開放示範單位;本網現為大家分析其平面圖,為大家提供最適切的入市攻略!另外,維港‧雙鑽示範單位位於九龍灣國際交易中心。
項目基本資料及景觀
維港‧雙鑽設兩座住宅大廈 (第1座及第2座),每座細分A、B兩座,合共提供702伙,戶型由開放式至4房,實用面積介乎244至1,770平方呎;預計關鍵日期為2025年3月31日,樓花期約6個月。
景觀方面,項目向東北至東南的單位,可前望九龍灣MegaBox一帶市景及內海海景;向西南的單位則外望附近樓景及街景為主。另外,項目向西南一帶單位,可前臨維港海景,向西北單位則外望啟德體育園一帶。
【維港‧雙鑽基本資料】
| 發展項目名稱 | 維港‧雙鑽 |
| 地址 | 啟德海灣半島 |
| 座數 | 2 |
| 單位數目 | 702伙 |
| 戶型 | 開放式至4房 |
| 實用面積 | 244至1,770平方呎 |
| 預計關鍵日期 | 2025年3月31日 |
| 發展商 | 中國海外 |
| 示範單位地址 | 九龍灣國際交易中心26樓 |
| 維港‧雙鑽專頁 | |
【維港‧雙鑽戶型分布表】
| 戶型 | 實用面積 (平方呎) | 單位數目 (佔比) |
| 開放式 | 244至250 | 97 (13.8%) |
| 1房 | 300至311 | 239 (34%) |
| 2房 (開放式廚房) | 437至447 | 170 (24.2%) |
| 2房 (梗廚) | 493至509 | 122 (17.4%) |
| 3房 | 593 | 25 (3.6%) |
| 3房套及工作間 | 657 | 24 (3.4%) |
| 3房套及工作間連廁 | 704 | 24 (3.4%) |
| 4房連平台及天台特色戶 | 1,770 | 1 (0.1%) |
| 總伙數 | 702 (100%) |
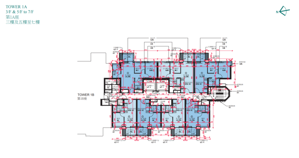
開放式
維港‧雙鑽的開放式戶共有97伙,分布於1B座D、E、F室,以及2A座C、E、F室,實用面積介乎244至250平方呎;當中2A座C室的實用面積為244平方呎,成為全盤面積最細的單位。每戶均設修長玄關,長形開放式廚房及浴室分布大門兩邊,然後連接至四正大廳;大廳則外連偌大「三合一」露台。
1房
維港‧雙鑽的1房戶共有239伙,佔比達34%;分布於1A座B至E室、1B座G室、2A座D至F室,以及2B座B室,實用面積300至311平方呎,全數均為連套房設計。當中1B座C室為唯一大門並非對正客廳的單位,大門前臨開放式廚房,客廳部分位於大門右方;其餘單位均為大門直面客廳,開放式廚房則位於大門旁邊。
項目1房戶一律廳房同向,當中客廳外接「三合一」露台。
2房
維港‧雙鑽2房戶分為連同開放式廚房及連梗廚兩種;當中2房 (開放式廚房) 單位共有170伙,分布於1A座F及G室、1B座A及B室、2A座A室,以及2B座2至30樓C室,及2至29樓D室。全數單位均設長形開放式廚房,以及日字形的客飯兩廳,空間均勻;當中客廳外接「三合一」露台。兩房均由走廊連接,座向與客廳一致。
至於2房 (梗廚) 單位則有122伙,分別位於1A座A室、1B座H室、2A座B及G室,以及2B座E室。當中2A座B室的大門對正廚房,轉右方為大廳所在;兩間房間廳房同向,並由小走廊連接。其餘單位均為大門直面客廳,當中廚房門位處兩廳中央,兩房則一字排開,由長走廊連接,同樣廳房同向。
3房
維港‧雙鑽的3房戶可分為3種戶型,全數設有梗廚。當中純3房單位見於2B座A室,實用面積593平方呎;同座F室為3房1套及工作間連廁,同座G室則為3房1套連工作間間隔。當中A室及G室開則相若,同樣為3間睡房一字排開,與廳同向,當中後者廚房後方設有工作間,工作間呈L形開則。廚房由兩廳中間連接。
至於F室大門對正梗廚,右邊則為工作間連廁所在,兩者同樣不能互通。至於3間睡房與廳同向,客廳亦外接「三合一」露台。
4房特色戶
項目2B座30樓D室,實用面積1,770平方呎,設4房雙套及工作間連廁,外接611平方呎平台及254平方呎天台;成為全盤面積最大的單位,兼全盤唯一特色單位。其主人套房設有衣帽間,並採雙平台設計,均由客廳外連;當中平台1更可連接工作間。梗廚旁邊則設內置樓梯通往天台。
資料來源:經濟日報—地產站




























